空调地暖“两联供”到底值不值得买!
水机两联供是这样的
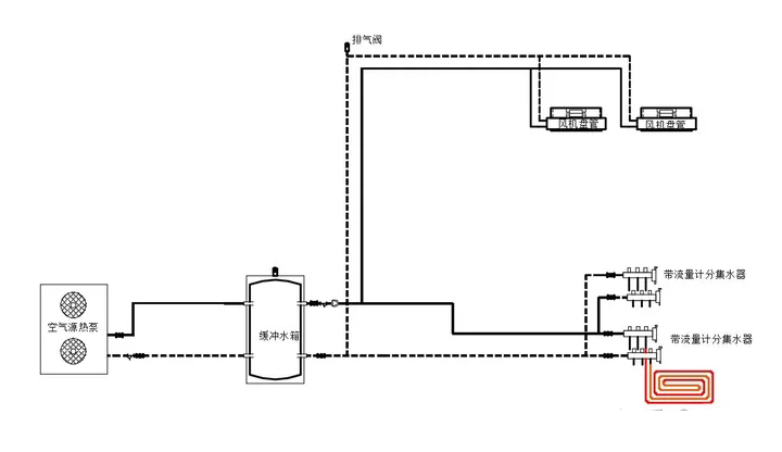
两联供,就是用一台主机,满足了空调和地暖的同时使用,特殊之处,详见图表。
安全性
两联供室内管道流动的介质是水,压力更低,且无污染;多联机室内管道流动的介质是制冷剂,压力是两联供的15倍,且有剧毒,泄露后对人体的危害很大;壁挂炉采暖季几乎每时每刻都在燃烧天然气,对壁挂炉的性能要求很高,这也是原装进口产品在零售领域畅销的主要原因。
健康性
两联供室内机在夏季制冷时,通过二次蒸发,提高室内机露点温度,风口吹出来的风更柔和,且不大量带走室内空气中的水分,即使是对着风口吹,人体也不会觉得刺骨的冷,而且能够保持空气合理湿度,长时间也不容易得“空调病”。
冬天采暖季,通过低温辐射地板采暖,没有热风直吹的干燥感,且符合“脚暖头凉”的养身之道。
舒适性
两联供室内的流动介质是水,温差波动小,制冷供热效果稳定,配上合理的控制系统,可以实现永不停机的效果;而多联机使用氟利昂原料作为介质,温差波动大,且达到设定温度后,会暂停工作,虽然室外机都是变频的了,但低于压缩机最低转速时,系统也就停机了,等到温差大了,系统再启动,忽冷忽热,体验感极差。
节能性
两联供的节能性,主要针对冬季采暖时与燃气炉的运行费用比较的,标准燃气壁挂炉的燃烧效率是80%上下,冷凝式壁挂炉的燃烧效率最高可达109%,而两联供冬季的制热效率是最低320%,品牌主机+优秀的系统设计,可达到650%,所以一般市场上都宣传,两联供的采暖费用是壁挂炉的一半,或者100平的采暖,每月500元,这对于壁挂炉来说,是下下下辈子也达不到了。
两联供看上去有这么多优点,但安装系统过于复杂,对销售方的方案设计能力、安装调试能力都有非常高的要求,且造价不低,所以市场普及率非常低,多见于江浙沪高档别墅区和一些高价精装楼盘。这几年,是借了国家政策(煤改电、清洁能源、南方供暖),又重新在市场上火了起来。
如果不缺预算,对生活的品质要求也比较高,那么如何选择一套合适的水机两联供系统呢?
第一步:先看系统设计方案
第二步:参观安装服务能力
第三步:确定主机材料品牌
第四步:互动砍价,签合同
最基础的两种系统原理图
一次 系统
二次系统
最基础的3中安装方式
